搜索附件  

海尔 L32R1B 液晶图纸.pdf

维修爱好者 家电电工资料网
维修爱好者 家电电工资料网

 

海尔 L32R1B 液晶图纸:
海尔 L32R1B 液晶图纸




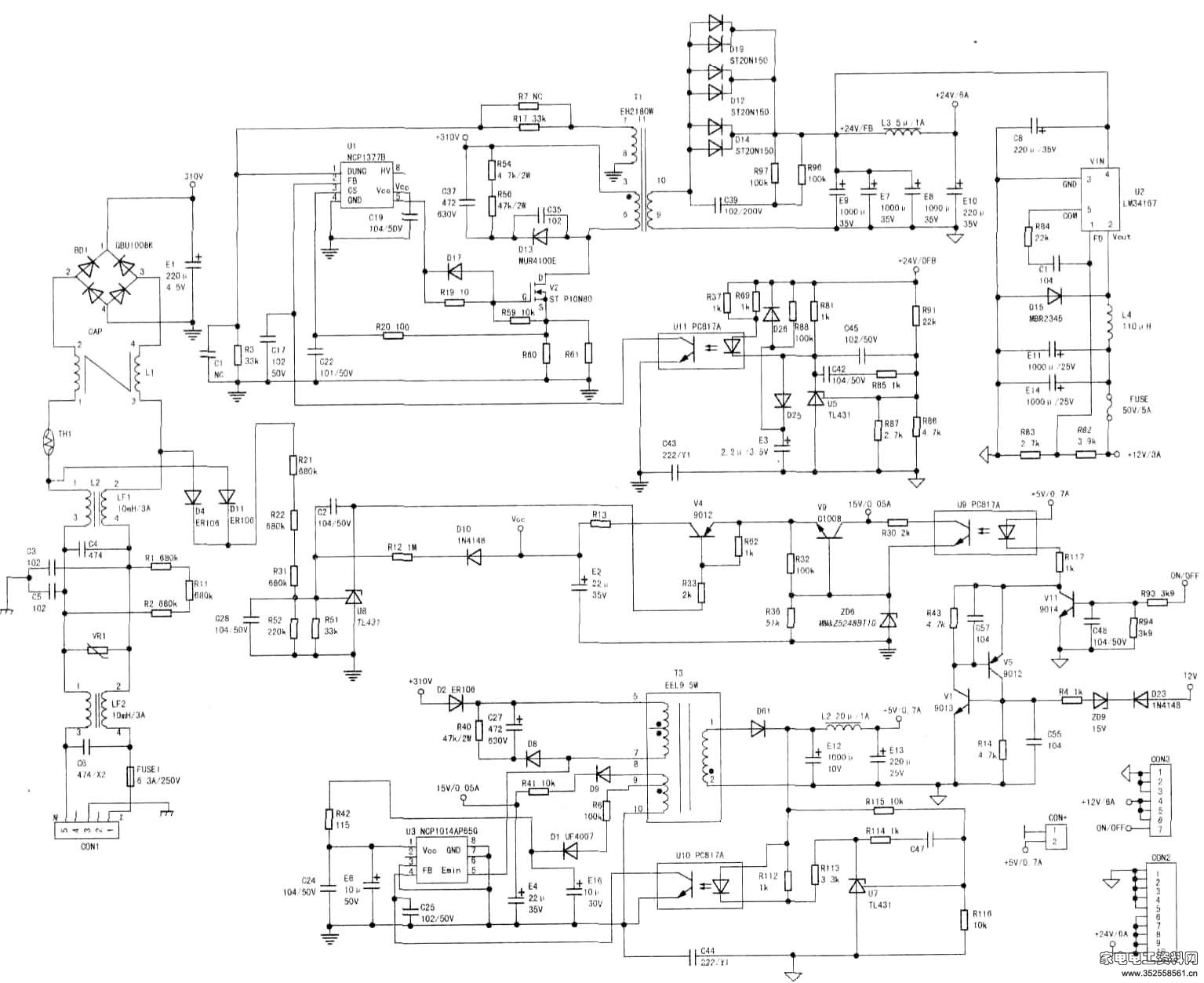
补:电源板电路图

维修爱好者 家电电工资料网

QQ/手机版/ 家电电工资料网

辽ICP备17010435号-3

Powered by Discuz!X3.5 |网站地图|辽公网安备 21140202000087号

QQ交流群

QQ交流群

扫码加群

欢迎加群

微信公众号

微信公众号

扫码加入

微信二维码

QQ联系

QQ号码

352558561

点击联系QQ