搜索附件  

电气二次回路.rar

维修爱好者 家电电工资料网
维修爱好者 家电电工资料网

 

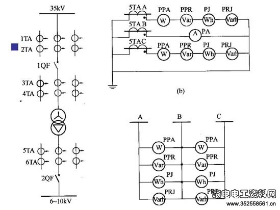
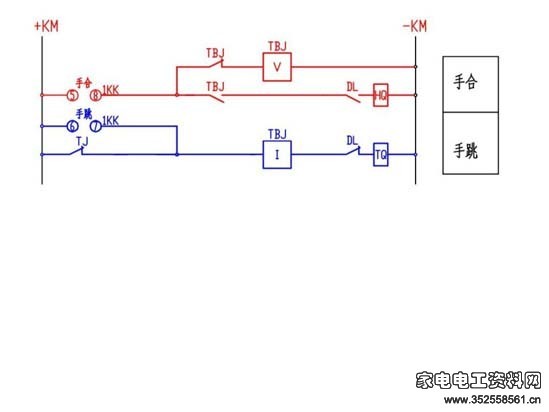
电气二次回路【电工学习】:
电气二次回路【电工学习】

































































图片链接如有失效请下载原文件阅读↓




维修爱好者 家电电工资料网

QQ/手机版/ 家电电工资料网

辽ICP备17010435号-3

Powered by Discuz!X3.5 |网站地图|辽公网安备 21140202000087号

qq group

qq群

扫码加群

欢迎加群

微信联系

微信群号

扫码加微信群

微信二维码

QQ联系

QQ号码

352558561

点击联系QQ